whatsapp
Москва
Подольск
Серпухов
Мытищи
Сергиев Посад
Балашиха
Зеленоград
Красногорск
Воскресенск
Пушкино
Лобня
Щёлково
Чехов
Ногинск
Королев
Раменское
Электросталь
Одинцово
Домодедово
Химки
Егорьевск
Дмитров
Реутов
Клин
Жуковский
Люберцы
Видное
Долгопрудный
Ивантеевка
Ступино
Щербинка
Тула
Калуга
Троицк
Дзержинский
 

Уплотнители для пластиковых окон

Уплотнители для пластиковых окон

Уплотнитель пластиковых окон – это эластичная полимерная прокладка, которая обеспечивает плотное прилегание притворов створок пластиковых окон к коробочным или импостным профилям.

Уплотнительная прокладка препятствует проникновению внутрь воды, грязи и пыли.

Что такое уплотнитель?

Уплотнительная прокладка – это эластичное полимерное изделие, чаще резинотехническое, которое одной частью вставляется в пазы для уплотнителей в профиля рам, створок и импостов, а другой однолепестковой или двулепестковой перекрывает 3-х миллиметровый притвор между коробкой и створкой так, чтобы обеспечить плотное прилегание створок к раме. Уплотняющие прокладки должны быть установлено непрерывно по всему периметру притвора створок или стеклопакетов( конструкция изделия, кроме неотапливаемых помещений, включает не менее двух рядов уплотнителей). Условный срок эксплуатации уплотнительных прокладок составляет не менее 5(10) лет и они стойки к климатическим и атмосферным осадкам, а также к ультрафиолетовому излучению.

Преимущественно в пластиковых окнах применяются три типа уплотнительных прокладок, отличающихся между собой местом установки:

Уплотнители для пластиковых окон по типу материалов

Цена от

15 р/м

EPDM

Этилпропиленовый каучук (ЭПДМ) – наиболее оптимальный материал для уплотнителей. Он сохраняет свои свойства в диапазоне температур от -60 до +120 градусов, имеет высокую устойчивость к механическим нагрузкам, не подвержен воздействию ультрафиолета и атмосферных осадков, лучше других сохраняет первоначальную форму и размеры в результате интенсивной эксплуатации.

заказать
Цена от

12 р/м

ТЭП

ТЭП (термоэлластопласт) по своим свойствам гораздо хуже, чем ЭПДМ. В условиях климата Орехово-Зуево уплотнители из ТЭП быстро дубеют на морозе и начинают пропускать воздух. К весьма спорным преимуществам ТЭП относится возможность окраски его в серый или белый цвет. Но следует отметить, что в качестве уплотнителя для штапиков можно использовать только ТЭП, так как его можно коэкструзировать в пвх. Пвх является основой штапика.

заказать
Типы уплотнителей для профильных систем

REHAU

Отличное начало

Упорный уплотнитель REHAU обеспечивает прижим створки к раме по всему периметру. Современные окна имеют два контура уплотнения: на раме и на створке, таким образом обеспечивая максимальную защиту от воздействий внешней среды. REHAU - самая известная компания на рынке светопрозрачных конструкций. Ее история началась в далеком 1948 году в послевоенной Германии в небольшом одноименном городе Рехау. Основал компанию Гельмут Вагнер, поначалу она состояла из 3 сотрудников и 1 экструдера ( современный пластиковый профиль для окон экструдируется из пвх крошки и специальных добавок перемешанных в ней). Изначально компания выпускала выпускала обувные подметки, садовые шланги и детали для автомобилей. Уже в 1958 году компания экструдировала пластиковый профиль и с этого времени начался стремительный взлет. В 1959 году компания выходит на североамериканский рынок и открывает свой первый офис в Нью-Йорке. Позднее началось сотрудничество с VW и BMW, а недавно компания подписала контракт с AIRBUS. Свой первый офис в России компания открыла в 1995 году. На сегодняшний день в состав компании входит 41 завод и 105 офисов продаж. Окна, изготовленные из профилей REHAU удовлетворят самого взыскательного покупателя. В линейке профилей представлены как 60 мм системы ( BLITZ, THERMO) так и 80 мм ( INTELIO).

4000
Известность в рунете
72 года
История
16
Цена за м/п р.
Заявка на замер

Виды уплотнителей по месту установки

Виды уплотнителей по месту установки

Упорное

Практичный выбор

Упорные уплотнители служат для предотвращения продувания через створки. Один контур данного уплотнителя устанавливается по периметру створки в месте ее прилегания к раме, другой – в притвор рамы.

EPDM
Материал
5
Срок службы
Да
Требуется обслуживание
Заявка на замер
Основные производители уплотнителей для пластиковых окон

Semperit

Практичный выбор

Концерн Semperit основан в 1824 году в Австрии. Производство уплотнителей для пластиковых окон было организовано в Германии в 60-х годах. Завод производит около 400 миллионов погонных метров EPDM уплотнителей в год. Сырье поступает с собственных заводов в Польше, Чехии и Австрии. В лабораториях по контролю качества пробы уплотнителя проверяются каждые 15 минут, поэтому нестабильность качества исключена.

100
Известность в рунете
196 лет
История
EPDM
Материал
Заявка на замер
СПОСОБЫ ЗАМЕНЫ УПЛОТНИТЕЛЕЙ СВОИМИ РУКАМИ

ВСТАВКА

Практичный выбор

Самый простой и наиболее распространенный способ. Замену упорного уплотнителя следует производить одновременно в раме и в створке. Для удобства створку лучше снять с петель. Старый уплотнитель легко удаляется из паза и на его место вставляется новый. Проталкивать уплотнитель в паз лучше с помощью специального закаточного ролика, но можно протягивать и вручную. Уплотнитель должен проходить по контуру непрерывно, единственное место стыка промазывается специальным быстросохнущим клеем.

низкая
Сложность работ
высокая
Эффективность замены
100
Цена работы за м/п р.
Заявка на замер


helloaddblock-remont-okon helloaddblock-remont-okon

Уплотнитель для пластиковых окон и дверей

 

ALUPLAST

страна производитель Германия

Aluplast S-AL-01

замена на

DFi53

страна производитель Германия

40 руб./пог.м.

 

GEALAN

страна производитель Россия

Gealan S-GE-01

35 руб./пог.м.

 

KBE 227

страна производитель Германия

подходит на профиль:

NOVOTEX

EXPROF

PROPLEX

KRAUSS

KBE 227 S-KBE-01

35 руб./пог.м.

 

KBE 228

страна производитель Германия

 

40 руб./ пог.м.

 

REHAU

страна производитель 

Россия и Германия

подходит на профиль:

MONTBLANC, BRUSBOX

Rehau S-RH-01

45 руб./пог.м.

Германия

 

25 руб./пог.м.

Россия

 

аналог Rehau

страна производитель Россия

подходит на профиль:

Rehau Grazio

аналог Rehau 529 50 руб./пог.м.

 

Spectus

страна производитель Великобритания

 

 

замена на

DFi53

страна производитель Германия

40 руб./пог.м.

 

PLAFEN

страна производитель Россия

Plafen S-PL-01

замена на

DFi53

страна производитель Германия

40 руб./пог.м.

 

замена на

Q-Lon 4465

страна производитель Германия

50 руб./пог.м.

 

LG 900

страна производитель Германия

LG 900

замена на

DFi53

страна производитель Германия

40 руб./пог.м.

 

Salamander

страна производитель Германия

замена на

DFi53

страна производитель Германия

40 руб./пог.м.

 

Trocal

страна производитель Германия

замена на

DFi53

страна производитель Германия

40 руб./пог.м.

 

VEKA 03

страна производитель Германия

Veka S-VK-03

15 руб./ пог.м.

 

VEKA 04

страна производитель Германия

VEKA S-VK-04

снят с производства

 

VEKA 10

страна производитель Германия и Россия

 

Veka S-VK-10

60 руб./пог.м.

Германия

 

25 руб./пог.м.

Россия

 

Veka 09

страна производитель Германия

Veka S-VK-09

замена на

VEKA 10

страна производитель Россия

25 руб./пог.м.

Wintech

страна производитель Россия

замена на

VEKA 10

страна производитель Россия

25 руб./пог.м.

 

Artec

страна производитель Германия

замена на

DFi53

страна производитель Германия

40 руб./пог.м.

 

DFi 53

страна производитель Германия

DFi53

40 руб./пог.м.

 

Thyssen на раме

 

замена на

Q-Lon 7307

или

Q-Lon 9646 

страна производитель Германия

50 руб./пог.м.

 

Thyssen на створке

 

замена на 

Q-Lon 7307

или

Q-Lon 9646 

страна производитель Германия

50 руб./пог.м.

 

Deceuninck на раме

 

Deceuninck на раме

замена на

Q-Lon 9646

страна производитель Германия

50 руб./пог.м.

 

Deceuninck на створке

 

замена на

Q-Lon 9646

страна производитель Германия

50 руб./пог.м.

 

Пыльник

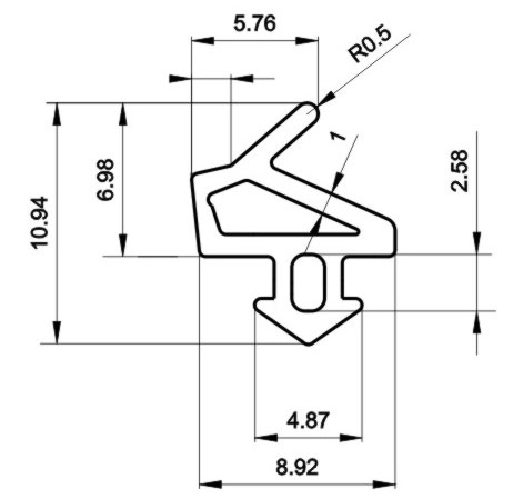
Уплотнитель  для  паза пластикового окна или двери 

25 руб./пог.м.

 

бухта 100 пог.м. - 2000 руб.

 

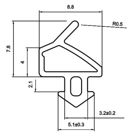
Schlegel Q-LON 4465

(чёрный)

страна производитель Германия

подходит на профиль:

Gealan (Ivaper), Plafen, Veka

Gealan Q-LON 4465

50 руб./ пог.м.

 

бухта 250 пог.м. - 9000 руб.

 

Schlegel Q-LON 7307

(белый)

страна производитель Германия

подходит на профиль:

Thyssen, Deceuninck, Aluplast

Q-LON 7307

50 руб./пог.м.

 

бухта 250 пог.м. - 9000 руб.

 

Schlegel Q-LON 9646

(чёрный, серый, белый)

страна производитель Германия

подходит на профиль:

KBE,  Rehau, Veka 

Q-LON 9646

50 руб./пог.м.

 

бухта 250 пог.м. - 9000 руб.

 

Schlegel Q-LON 9756

(чёрный, серый, белый)

страна производитель Германия

подходит на профиль:

Veka 

Q-LON 9756

50 руб./пог.м.

 

бухта 250 пог.м. - 9000 руб.

 

Уплотнение порога входной двери

страна производитель Россия

 

400 руб./пог.м.

Уплотнение порога входной двери

страна производитель Россия

 

40 руб./пог.м.

Уплотнитель для деревянных окон и дверей

 

D-6,D-8,D-10

(белый, серый, тёмно-коричневый)

страна производитель Финляндия

D-8

70 руб./ пог.м.

 

Deventer SV 12

(белый, тёмно-коричневый)

страна производитель Германия

SV 12

60 руб./пог.м.

 

Deventer SV 33

(белый, тёмно-коричневый)

страна производитель Германия

SV33

50 руб./пог.м.

 

 

Deventer SV 104

(белый, тёмно-коричневый)

страна производитель Германия

SV104

50 руб./пог.м.

Schlegel Q-LON  3034

(белый)

страна производитель Германия

70 руб./пог.м.

Schlegel Q-Lon 3070

(белый, тёмно-коричневый)

страна производитель Германия

70 руб./пог.м.

Schlegel Q-LON 3053

(белый,тёмно-коричневый)

страна производитель Германия

80 руб./пог.м.

 

бухта 200 пог.м. - 15000 руб.

Уплотнитель для межкомнатных дверей

 

Deventer M7256

страна производитель Германия

под заказ от 200 пог.м.

M7256

только под заказ от 200 пог.м.

от 45 руб./пог.м.

 

Deventer М680

страна производитель Германия

под заказ от 150 пог.м.

M680

только под заказ от 150 пог.м.

от 60 руб./пог.м.

 

Schlegel Q-LON 3053

(белый,тёмно-коричневый)

страна производитель Германия

Q-lon 3053

80 руб./пог.м.

 

бухта 200 пог.м. - 15000 руб.

 

Schlegel Q-LON 3072

(бежевый, св.дуб,тёмно-коричневый, белый)

страна производитель Германия

3072

75 руб./пог.м.

 

бухта 300 пог.м. - 17500 руб.

 

Deventer S6612

страна производитель Германия

под заказ от 200 пог.м.

S6612

только под заказ от 200 пог.м.

60 руб./пог.м.

Уплотнитель для алюминиевых окон и дверей

 

G 001

 

G001

60 руб./пог.м.

 

G 002

 

G002

60 руб./пог.м.

 

G 003

 

G003

60 руб./пог.м.

 

G 004

 

G004

100 руб./пог.м.

 

G 010

 

G010

150 руб./пог.м.

 

G 012

 

G012

150 руб./пог.м.

 

G 017

 

G017

60 руб./пог.м.

 

ТПУ 004

 

ТПУ004

60 руб./пог.м.

 

ТПУ 006

 

ТПУ006

60 руб./пог.м.

 

ТПУ 66005-02

 

ТПУ66005-02

180 руб./пог.м.

 

ТПУ 66015

 

ТПУ66015

250 руб./пог.м.

 

ТПУ 65.01

 

ТПУ 65.01

150 руб./пог.м.

 

ТПУ 006-01

 

ТПУ 006-01

снят с производства

замена на

ТПУ 45.02

60 руб./пог.м.

 

ТПУ 45-10

 

ТПУ 45-10

150 руб./пог.м.

 

ТПУ 4502

 

ТПУ 45.02

60 руб./пог.м.

 

ТПУ 002

 

ТПУ 002

60 руб./пог.м.

 

ТПУ 6001

 

ТПУ 6001

60 руб./пог.м.

 

ТПУ 001

 

ТПУ 001

60 руб./пог.м.

 

У003

 

У003

180 руб./пог.м.

У004

У004

180 руб./пог.м.

 

У005

 

У005

60 руб./пог.м.

 

У006

 

У006

250 руб./пог.м.

 

У061

 

У 061

60 руб./пог.м.

 

P5 сиал

 

Р5 60 руб./пог.м.

 

КПУ 03

 

КПУ 03

150 руб./пог.м.

 

КПУ 09-01

 

КПУ 09-01

150 руб./пог.м.

 

КПУ 18

 

КПУ 18

150 руб./пог.м.

 

КПУ 19

 

КПУ 19

60 руб./пог.м.

 

РПР-04

 

РПР-04

нет в наличии

замена на

КПУ 201

60 руб./пог.м.

 

КПУ 201

 

КПУ 201 60 руб./пог.м.

 

FRK 29-01

 

FRK 29-01

60 руб./пог.м.

 

FRK 36

 

FRK 36

60 руб./пог.м.

 

FRK 51

 

FRK 51

150 руб./пог.м.

 

FRK 98

 

FRK 98 old

замена на

FRK 98 (new)

60 руб./пог.м.

 

FRK 98 (new)

 

FRK 98 new 60 руб./пог.м.

 

FRK-07

 

FRK-07

60 руб./пог.м.

Уход за оконными уплотнителями

Средство для ухода за оконными уплотнителями Рехау

Уход за уплотнителями - продлевает срок их эффективной эксплуатации.

Для того, чтобы предотвратить преждевременный износ уплотнителей рекомендуется регулярно смазывать их поверхности специальным средством по уходу за окнами. При проведении ремонтных работ в квартире следует защитить уплотнители от попадания раствора, цементной пыли и т.д. Соблюдение всех правил по уходу за окнами позволяет в 2-2,5 раза продлить срок службы уплотнителей. »

ВЫЗОВ ЗАМЕРЩИКА

Как самостоятельно определить, нужно ли менять уплотнитель

Откройте створку и внимательно рассмотрите оба контура уплотнения. Если вы заметили трещины, изменение цвета, или резина стала более твердой на ощупь, это означает, что пришла пора менять уплотнитель.

Когда нужна замена уплотнителей:

Обычно внешний контур изнашивается быстрее, но рекомендуется менять сразу оба.

С помщью горящей свечи можно проверить нарушена ли герметичность прилегания створки к раме( по отклоняющемуся пламени). Если она нарушена, то одной из причин может быть износ уплотнительной прокладки.

Уплотнитель для створки рамы Rehau

Замена уплотнителей

Здесь мы расскажем, как поменять упорный уплотнитель на раме и створке.

Уплотнители, которые надо заменить

Первый этап – расчет количества. Замеряем периметр створки и полученную цифру умножаем на два. Чаще всего уплотнители продаются кратно десяти метрам. 

Совет!Если вы не знаете, из какого профиля изготовлены ваши окна, возьмите с собой в качестве образца небольшой кусок старого уплотнителя. 

Второй этап – демонтаж старого уплотнителя. Уплотнитель легко вынимается из паза при помощи отвертки или ножа. Затем очищаем паз от пыли и остатков старого уплотнителя.

Удаление уплотнителя

Зачищаем и обезжириваем поверхность.

Пазы для уплотнителей в профиле желательно обработать.

Третий этап – вставка нового уплотнителя. 

Новая уплотнительная прокладка

Совет! Менять уплотнитель на створке удобнее, сняв ее с петель. 

Прежде,чем вытащить металлический штифт верхней петли, нужно снять декоративную накладку.

Вставку уплотнителя следует начинать с середины верхней части рамы или створки.

Уплотнитель желательно начинать вставлять с середины

Уплотнительная прокладка вставляется в пазы руками или с помощью специального ролика, не натягивая. В углах надавливаем руками. 

Как надо сделать

Пройдя весь периметр створки, обрезаем уплотнитель и склеиваем стык.

Подрезаем

Склеиваем стыки

Четвертый этап – проверка.Установив створку на место, несколько раз открываем и закрываем ее, наблюдая, как ведет себя уплотнитель. Он не должен смещаться или деформироваться.  

Пятый этап – смазка.Эта процедурв не является обязательной, но рекомендуема. Смазку на основе силикона можно приобрести в любом магазине автозапчастей.

Бесплатный вызов Замерщика
Спасибо!

Мы свяжемся с Вами в ближайшее время.


Адреса представительств

Карта вашего бизнеса